Homogeniser

Homogeniser
Contact us for price
Description
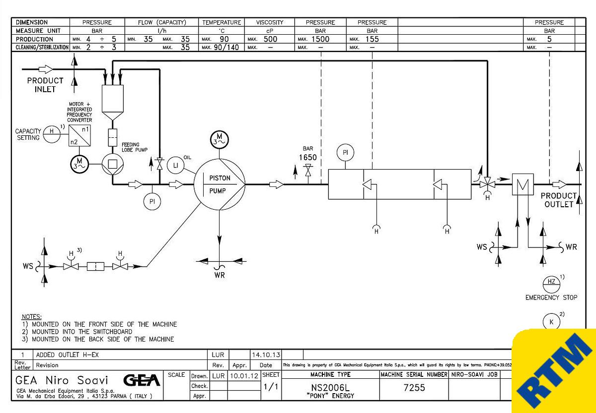
Item #8857 – HOMOGENISER
Manufactured by GEA NIRO SOAVI
Model Ariete NS2006 L Energy
Current owner purchased refurbished by GEA in 2013
original year believed to be 2006
suitable for pharma products
MAX Viscosity UP TO 500 cP
MAX Working Pressure 1500 bar
Flow Rate Type F F = Fixed
MAX Flow Rate 35 L/h @ 50 Hz
MIN Feed Pressure 4-5 bar
MAX Backpressure 5 bar
MAX Product Temperature <.90 °C
MAX CIP / SIP Temperature 140 °C
Ambient Conditions 40°C MAX; R.H. 40%; 1000 m above sea level
TECH FEATURES - COMPRESSION HEAD
Type MONO-BLOCK (VHP)
MaterialSAF 2507
No. of Plungers 2
Plunger Material CERAMIC
Plunger Diameter 10 mm
Plunger Stroke 40 mm
Pumping Valve Type PVB 1/2"
Pumping Valve Material STELLITE GR20
Pumping Valve Seat Material STELLITE GR20
Overpressure Valve Type NSSRLV HP
Overpressure Valve Setpoint 1650
Specifications
| Manufacturer | GEA NIRO SAVI |
| Model | Ariete NS2006 |
| Condition | Used |
| Stock Number | 8857 |






